

A. SCOPE
This specification applies magnetic buzzer, TMB12A05
B. SPECIFICATION
| No. | Item | Unit | Specification | Condition |
1 | Oscillation Frequency | KHz | 2.3 ± 0.3 | |
2 | Operating Voltage | VDC | 3 ~ 8 | |
3 | Rated Voltage | VDC | 5 | |
4 | Current Consumption | mA | MAX. 30 | at Rated Voltage |
5 | Sound Pressure Level | dB | MIN. 85 | at 10cm at Rated Voltage |
6 | Response time | mS | Max 50mS | Lowest operation voltage |
7 | Operating Temperature | ℃ | -20 ~ +70 | |
8 | Storage Temperature | ℃ | -30 ~ +80 | |
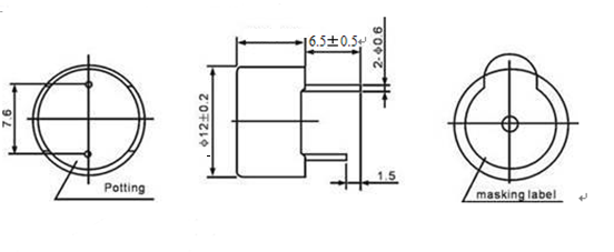
9 | Dimension | mm | Φ12 x H9.5 | See appearance drawing |
10 | Weight (MAX) | gram | 2.0 | |
11 | Housing Material | PPO( Black ) | ||
12 | Leading Pin | Tin Plated Brass(Sn) | See appearance drawing | |
13 | Environmental | RoHS |
C. APPEARANCE DRAWING 
Tol : ± 0.5 Unit: mm
D.TESTING METHOD
Standard Measurement conditions
Temperature:25±2℃ Humidity:45-65%
Acoustic Characteristics:
The oscillation frequency, current consumption and sound pressure are measured by the measuring instruments shown below
In the measuring test, buzzer is placed as follows:
E. VOLTAGE / CURRENT / SOUND PRESSURE CHARACTERISTICS
F. RELIABILITY TEST
NO. | ITEM | TEST CONDITION AND REQUIREMENT |
1 | High Temperature | After being placed in a chamber with 80 |
2 | Low Temperature | After being Placed in a chamber with -30 |
3 | Humidity Test | After being Placed in a chamber with 90-95% R.H. at 40 |
4 | Temperature Cycle | The part shall be subjected to 5 cycles. One cycle shall be consist of: |
5 | Drop Test | Drop on a hard wood board of 4cm thick, any directions ,6 times, at the height of 75cm . |
6 | Vibration Test | After being applied vibration of amplitude of 1.5mm with 10 to 55 Hz band of vibration frequency to each of 3 perpendicular directions for 2 hours . |
7 | Solderability | Lead terminals are immersed in rosin for 5 seconds and then immersed in solder bath of +300 |
8 | Terminal Strength | The force of 9.8N(1.0kg) is applied to each terminal in axial direction for 10 seconds. |
TEST CONDITION.
Standard Test Condition : a) Temperature : +5 ~ +35℃ b) Humidity : 45-85% c) Pressure : 860-1060mbar
Judgment Test Condition : a) Temperature : +25 ± 2℃ b) Humidity : 60-70% c) Pressure : 860-1060mbar
G. PACKING STANDARD


聯(lián)系人:吳經(jīng)理
手機(jī):15722819198
電話:
傳真:
郵箱: